
A coolant rotary union is a device that allows for the transfer of coolant fluid between stationary and rotating components, like a spindle with a cutting tool. This is crucial for dissipating heat and ensuring proper lubrication of the cutting edge in various industrial processes.
ACROW is the famous TAIWAN machine tools accessories brand, supplies accessory for machining centers tools like Pallet Clamping Systems, Rotating Coolant Unions, Spindle Clamping Units, Measuring Instruments, High Speed Spindle Collets. Its rotating coolant unions can be widely used in in various industries, including machine tools, automotive manufacturing, and steel production, where they are essential for cooling and lubricating rotating components.
There are 2 series of rotating unions: G2007 and G2008. This article will show your details specifications, operation parameters and preparation of the spindle.

G2007 series:
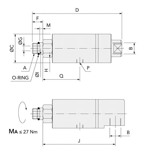
1. ACROW G2007 rotationg coolant union specifications:
| Order No. | No. | A | B | C | D | F | G | H | I | J | M | P | Q | |||||||||||
| G200711M16180 | 1 | M16*1.5PLH | 3/8"NPT | 43.7 | 136 | 16 | 7.5 | 24 | 18 | 一 | 5 | 1/8"NPT | 57 | |||||||||||
| G200711M16090 | 2 | 140 | 110 | |||||||||||||||||||||

2. ACROW G2007 rotationg coolant union operation parameters
| Max.Pressure | Min.Closes Seal Pressure | Max.rpm | Max.Flow Rate | Max.Working Temp | Coolant Purity | |||||||||||||||||||
| 50 bar | 4 bar | 15,000 rpm | 28 L/min | 70℃ | <25μ | |||||||||||||||||||
3. ACROW G2007 rotationg coolant union preparation of the spindle
Pilot bore dia.to be concentric to the centerline within 0.005 mm T.I.R.
Spindle face to be perpendicular to the centerline within 0.01 mm T.I.R.
Max.Tightening Torque:27 Nm.

| Spindle End | Rotor Pilot | |||||||||
| X | Y | Z | I | M | ||||||
| 18.01 18.00 | 7 | 17 | 17.985 17.975 | 5 | ||||||

G2008 series
1. ACROW G2008 rotationg coolant union specifications:
| Order No. | No. | A | B | C | D | F | G | H | I | J | M | P | Q | |||
| G2008RUL0180 | 1 | M16*1.5PLH | 1/4"NPT | 34.0 | 114 | 16 | 8.0 | 17 | 18 | 一 | 4 | 1/8"NPT | 44 | |||
| G2008RUL0090 | 2 | 88 | ||||||||||||||

2. ACROW G2008 rotationg coolant union operation parameters
| Max.Pressure | Max.rpm | Max.Flow Rate | Max.Working Temp. | Coolant Purity | ||||||||||||
| 50 bar | 20,000 rpm | 28 L/min | 70℃ | <25μ | ||||||||||||
3. ACROW G2007 rotationg coolant union preparation of the spindle
Pilot bore dia.to be concentric to the centerline within 0.005 mm T.I.R.
Spindle face to be perpendicular to the centerline within 0.01 mm T.I.R.
Max.Tightening Torque:27 Nm.

| Spindle End | Rotor Pilot | ||||||
| X | Y | Z | I | M | |||
| 18.01 18.00 | 7 | 17 | 17.985 17.975 | 4 | |||
In the market today, RicoCNC highly recommend another following Top 5 five brands of rotary joints for CNC machine spindle, both brand reputation, quality and after-sales: RIX Rocky Joint, DEUBLIN, ROTOFLUX, OTT-JAKOB, SMARTC. There are also other brands rotary joints: Kadant Johnson rotary joint, Spinner rotary joint, SMC rotary joint, LUX rotary joint.
RicoCNC can provide customers with various brands of rotary joints and have strong after-sales service to solve problems and create value for our customers.
Tel:+86-51268235075
Fax :+86-51268235075
Mobile:+86-13390848665
E-mail: cncsale@ricocnc.com
Skype: ccsalce
Whatsapp: +86-13390848665